
변압기 결선 방식 - D-Y결선 및 Y-D결선
변압기는 3상 전압을 단상 전압으로, 단상 전압을 3상 전압으로 변환하는 역할을 하는 중요한 전기기기입니다. 변압기는 결선 방식에 따라 다양한 특성을 가지므로, 설계 및 운전 시 적절한 결선 방식을 선택하는 것이 중요합니다.
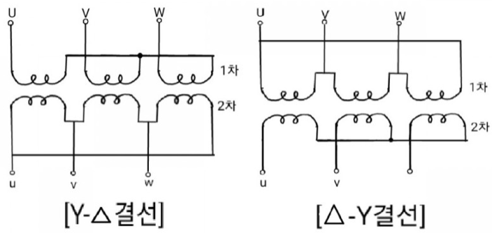
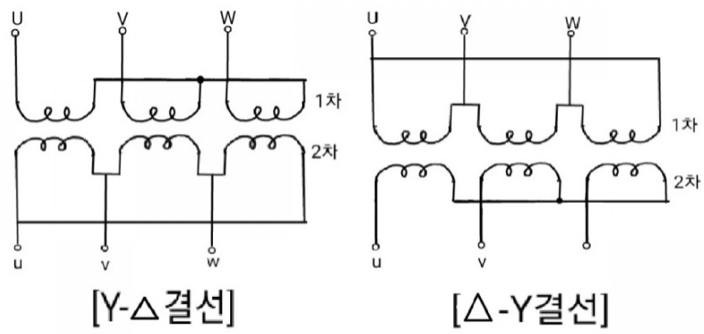
D-Y결선이란?
D-Y결선은 1차측이 델타결선, 2차측이 Y결선으로 연결된 방식입니다. 1차측은 델타결선으로 연결되어 있으므로, 여자전류의 3고조파가 흐를 수 있습니다. 따라서 2차측의 전압은 깨끗한 정현파가 됩니다. 또한, 중성점이 접지되어 있으므로 이상전압 발생을 억제하고, 상전압을 안정시킬 수 있습니다.
Y-D결선이란?
Y-D결선은 1차측이 Y결선, 2차측이 델타결선으로 연결된 방식입니다. 1차측은 Y결선으로 연결되어 있으므로,중성점이 접지될 수 있습니다. 따라서 이상전압 발생을 억제하고, 지락사고를 용이하게 검출할 수 있습니다.

D-Y결선 및 Y-D결선의 특징
D-Y결선 및 Y-D결선은 다음과 같은 특징을 가지고 있습니다.
| 1차측 | 델타결선 | Y결선 |
| 2차측 | Y결선 | 델타결선 |
| 여자전류의 3고조파 | 흐름 | 흐름 |
| 중성점 접지 | 가능 | 가능 |
| 이상전압 발생 억제 | 가능 | 가능 |
| 상전압 안정화 | 가능 | 가능 |
| 지락사고 검출 | 용이 | 용이 |
| 1차와 2차간 위상차 | 30° | 30° |
| 1대 고장 시 운전 가능 | 불가능 | 불가능 |
| Step-up/Step-down | Step-up/Step-down | Step-down/Step-up |
| 단상부하에 의한 불평형 | 상대적으로 작음 | 상대적으로 큼 |
| 변압기 이용률 | 100% | 57.7% |
D-Y결선의 적용
D-Y결선은 다음과 같은 경우에 적용됩니다.
- 3고조파가 적은 전압을 필요로 하는 경우
- 이상전압 발생을 억제하고, 상전압을 안정시킬 필요가 있는 경우
- 지락사고를 용이하게 검출할 필요가 있는 경우
- Step-up용으로 사용되는 경우
Y-D결선의 적용
Y-D결선은 다음과 같은 경우에 적용됩니다.
- 3고조파가 많은 전압을 필요로 하는 경우
- 중성점이 접지되어야 하는 경우
- Step-down용으로 사용되는 경우
D-Y결선과 Y-D결선의 비교
D-Y결선과 Y-D결선은 위의 특징을 비교하면 다음과 같은 차이점이 있습니다.
| 여자전류의 3고조파 | 흐름 | 흐름 |
| 중성점 접지 | 가능 | 가능 |
| 이상전압 발생 억제 | 가능 | 가능 |
| 상전압 안정화 | 가능 | 가능 |
| 지락사고 검출 | 용이 | 용이 |
| 1차와 2차간 위상차 | 30° | 30° |
| 1대 고장 시 운전 가능 | 불가능 | 불가능 |
| Step-up/Step-down | Step-up/Step-down | Step-down/Step-up |
| 단상부하에 의한 불평형 | 상대적으로 작음 | 상대적으로 큼 |
| 변압기 이용률 | 100% | 57.7% |
D-Y결선의 단점
D-Y결선은 다음과 같은 단점이 있습니다.
- 1대의 변압기가 고장나면 송전이 불가능합니다.
- 단상부하에 의한 불평형이 상대적으로 큽니다.
- 변압기 이용률이 100%가 아닌 57.7%입니다.
Y-D결선의 단점
Y-D결선은 다음과 같은 단점이 있습니다.
- 3고조파가 많은 전압을 필요로 하는 경우, 3고조파 성분이 중성선을 통해 유도되어 인근 통신선 등에 영향을 줄 수 있습니다.
- 중성점이 접지되어 있으므로, 지락사고가 발생할 경우 대규모 정전이 발생할 수 있습니다.
결론
D-Y결선과 Y-D결선은 각각의 장단점이 있으므로, 적용 용도에 따라 적절한 결선 방식을 선택하는 것이 중요합니다.
'003. 에너지(Power & Energy) Note' 카테고리의 다른 글
| 글로벌 기후변화 현황 및 국가별 탄소중립 정책 (0) | 2023.12.22 |
|---|---|
| 변압기 결선 방식 - D-D결선 및 Y-Y결선 비교 해석 (0) | 2023.12.19 |
| 변압기 결선 방식 중 V 결선에 대한 해석 (0) | 2023.12.19 |
| 변압기 결선시의 고려 사항 (0) | 2023.12.19 |
| COP28 기후회의, 주요 내용 그리고 합의 내용은? (획기적인 성과 달성: 화석연료 탈피 언급, 재생에너지 3배 늘리기 약속) (0) | 2023.12.17 |