
안녕하세요 여러분, 민(Min) 입니다. 이번 포스팅에서는 몰드변압기,라는 기기에 대하여 이야기를 해보고자 포스팅을 씁니다.
우리나라에는 초고압 전압인 765, 345, 154kV가 있습니다만, 소비자들은 이 전압을 그대로 사용하지는 않고, 보통 강압을 하여 사용을 하게 되죠. 배전선로의 공칭전압인 22.9kV 강압을 하거나 주상 변압기로부터 직접, 또는 전기실 내 변압기반에 설치된 변압기를 통해 더욱 강압된 단상 220V (3상 380V)를 공급받아 사용하게 되기도 합니다.
이 때문에, 변압기를 보호하기 위한 유지관리는 매우 중요하며 이는 산업계의 경제적인 영향까지 있기 때문에 주의를 기울여야 하는 중요한 전력기기 입니다.
보통, 국내의 자가용 전기설비 등에는 건식변압기의 일종인 몰드변압기가 범용으로 사용 되고 있으며, 이 포스팅에서는 "몰드변압기"의 구조 및 특징에 대하여 간략하게 알아보고자 합니다.

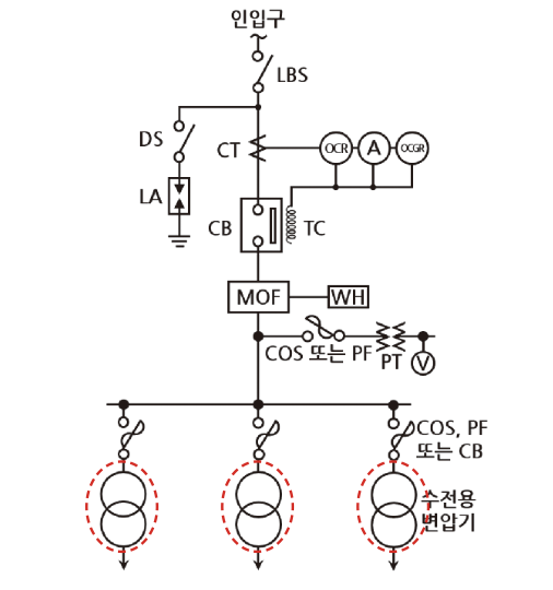
몰드변압기의 구조는 아래와 같습니다.
변압기는 전기회로를 구성하는 권선과 자기회로를 구성하는 철심으로 구성되며, 변압기는 규소강(또는 아몰퍼스 철심)과 구너선으로 구성되어 있습니다. 교류전력을 전자유도작용에 의해 전압의 크기를 바꾸고 있습니다.

몰드변압기의 주요한 특징은 무엇일까요?
1. 절연유 대신 공기로 철심을 냉각시킴, 통상 "건식변압기"로 부르기도 함
2. 권선부분을 2~3 Torr 정도의 고진공상태에서 에폭시수지로 함침주형한 것으로, 유압변압기와의 비교는 아래의 표를 참고하여 보면 좋을 것 같습니다.

위의 내용을 보시면 몰드변압기와 유입변압기의 차이를 볼 수 있으며, 2가지 변압기의 근본적인 차이는 냉각방식에 따라 구분하는 것이라고 생각하시면 되겠습니다.
이번 포스팅이 전기 공부하시는 분들에게 도움이 되셨길 바랍니다.
'003. 에너지(Power & Energy) Note' 카테고리의 다른 글
| 한국전력공사 및 SK E&S의 ESG 경영 전략 (68) | 2023.08.06 |
|---|---|
| SMR 다음 단계인 초소형 원자로 개발 본격 추진! (45) | 2023.07.29 |
| 탄소중립을 위한 여정, 원자력-신재생, 미래 전력망 주력전원으로서의 역할과 책임 (18) | 2023.07.13 |
| 송전/배전 선로 고장의 종류는?? (23) | 2023.07.07 |
| 국내 배터리 기업들의 투자 현황 및 전기차 구조 분석! (27) | 2023.07.06 |